客户案例 | 咸兴包装机
- 哈尔滨市动力化学仪器经销有限公司
大兴安岭自彬鹿业有限公司(咸兴包装机)
宁安市天源化工有限公司
哈尔滨华崴焊切成套设备有限公司
嘉荫县向阳乡世界生态村天然食品有限公司
- 连云港三吉利化学工业有限公司
辽宁锦州法特三星润滑油有限公司
丹东博海贸易有限公司(咸兴包装机)
大连博厚企业配套有限公司
辽宁耀福施封锁有限公司
咸兴包装机颗粒浆状灌装机展示:

颗粒浆状灌装机是星火包装机械有限公司在先进灌装机技术的基础上,进行改造和创新设计的产品,主要针对粘稠并带有颗粒类的酱状物料灌装而设计,咸兴包装机生产的颗粒浆状灌装机提供系统的解决方案全力提升客户的绩效,我们一直在努力,并且我们不断自我完善,让客户的绩效永远保持提升,我们会用最真诚的态度去面向市场、面对消费者,尽量做到让每位购买咸兴包装机的消费者都能够体会到接地气的感受,星火包装机械用自己的真诚去打动更多的消费者,让市场的氛围变得更加有乐趣。
咸兴包装机颗粒浆状灌装机厂房展示:

咸兴包装机颗粒浆状灌装机技术参数:
气 压 0.4-0.6MPa
灌装速度 10-30瓶/分
灌装精度 ±1﹪
可选机型 10-125ml 25-250ml 50-500ml 100-1000ml 250-2500ml
咸兴包装机颗粒浆状灌装机的运行:

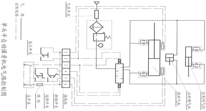
咸兴包装机颗粒浆状灌装机内部设计图:
郓城老利多源调味品批发部地址设在中国著名的牡丹之乡、武术之乡、书画之乡菏泽,山东菏泽郓城县盘沟路东段路南33号,老板是王绍山,于2015年2月2日在菏泽工商局登记注册挂牌成立,单位注册资本5(万元)。咸兴包装机生产的颗粒浆状灌装机在郓城老利多源调味品批发部出现有一定的时间了,无论在什么时候都以优秀的状态去工作,为厂家所带来的收入利益是充分的,主要针对粘稠并带有颗粒类的酱状物料灌装而设计,咸兴包装机械提供系统的解决方案,全力提升客户的绩效,我们一直在努力,并且我们不断自我完善,让客户的绩效永远保持提升,我们会一直坚持,永远不会停歇。
咸兴包装机星火包装机械的荣誉证书:
咸兴包装机客户案例:
